鉅大鋰電 | 點擊量:0次 | 2020年05月09日
學習一下開關電源正激式變壓器的工作原理
正激式變壓器開關電源輸出電壓的瞬態控制特性和輸出電壓負載特性,相對來說比較好,因此,工作比較穩定,輸出電壓不容易產生抖動,在一些對輸出電壓參數要求比較高的場合,經常使用。
1-6-1.正激式變壓器開關電源工作原理
所謂正激式變壓器開關電源,是指當變壓器的初級線圈正在被直流電壓激勵時,變壓器的次級線圈正好有功率輸出。

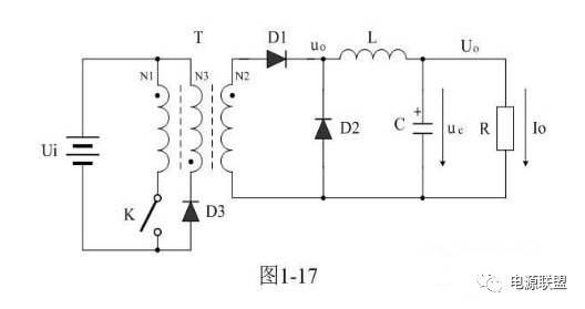
圖1-17是正激式變壓器開關電源的簡單工作原理圖,圖1-17中Ui是開關電源的輸入電壓,T是開關變壓器,K是控制開關,L是儲能濾波電感,C是儲能濾波電容,D2是續流二極管,D3是削反峰二極管,R是負載電阻。
在圖1-17中,需要特別注意的是開關變壓器初、次級線圈的同名端。如果把開關變壓器初線圈或次級線圈的同名端弄反,圖1-17就不再是正激式變壓器開關電源了。
我們從(1-76)和(1-77)兩式可知,改變控制開關K的占空比D,只能改變輸出電壓(圖1-16-b中正半周)的平均值Ua,而輸出電壓的幅值Up不變。因此,正激式變壓器開關電源用于穩壓電源,只能采用電壓平均值輸出方式。
圖1-17中,儲能濾波電感L和儲能濾波電容C,還有續流二極管D2,就是電壓平均值輸出濾波電路。其工作原理與圖1-2的串聯式開關電源電壓濾波輸出電路完全相同,這里不再贅述。關于電壓平均值輸出濾波電路的詳細工作原理,請參看“1-2.串聯式開關電源”部分中的“串聯式開關電源電壓濾波輸出電路”內容。
正激式變壓器開關電源有一個最大的缺點,就是在控制開關K關斷的瞬間開關電源變壓器的初、次線圈繞組都會產生很高的反電動勢,這個反電動勢是由流過變壓器初線圈繞組的勵磁電流存儲的磁能量產生的。因此,在圖1-17中,為了防止在控制開關K關斷瞬間產生反電動勢擊穿開關器件,在開關電源變壓器中增加一個反電動勢能量吸收反饋線圈N3繞組,以及增加了一個削反峰二極管D3。
反饋線圈N3繞組和削反峰二極管D3對于正激式變壓器開關電源是十分必要的,一方面,反饋線圈N3繞組產生的感應電動勢通過二極管D3可以對反電動勢進行限幅,并把限幅能量返回給電源,對電源進行充電;另一方面,流過反饋線圈N3繞組中的電流產生的磁場可以使變壓器的鐵心退磁,使變壓器鐵心中的磁場強度恢復到初始狀態。
由于控制開關突然關斷,流過變壓器初級線圈的勵磁電流突然為0,此時,流過反饋線圈N3繞組中的電流正好接替原來勵磁電流的作用,使變壓器鐵心中的磁感應強度由最大值Bm返回到剩磁所對應的磁感應強度Br位置,即:流過反饋線圈N3繞組中電流是由最大值逐步變化到0的。由此可知,反饋線圈N3繞組產生的感應電動勢在對電源進行充電的同時,流過反饋線圈N3繞組中的電流也在對變壓器鐵心進行退磁。

圖1-18是圖1-17中正激式變壓器開關電源中幾個關鍵點的電壓、電流波形圖。圖1-18-a)是變壓器次級線圈N2繞組整流輸出電壓波形,圖1-18-b)是變壓器次級線圈N3繞組整流輸出電壓波形,圖1-18-c)是流過變壓器初級線圈N1繞組和次級線圈N3繞組的電流波形。
圖1-17中,在Ton期間,控制開關K接通,輸入電源Ui對變壓器初級線圈N1繞組加電,初級線圈N1繞組有電流i1流過,在N1兩端產生自感電動勢的同時,在變壓器次級線圈N2繞組的兩端也同時產生感應電動勢,并向負載提供輸出電壓。開關變壓器次級線圈輸出電壓大小由(1-63)、(1-69)、(1-76)、(1-77)等式給出,電壓輸出波形如圖1-18-a)。
圖1-18-c)是流過變壓器初級線圈電流i1的波形。流過正激式開關電源變壓器的電流與流過電感線圈的電流不同,流過正激式開關電源變壓器中的電流有突變,而流過電感線圈的電流不能突變。因此,在控制開關K接通瞬間流過正激式開關電源變壓器的電流立刻就可以達到某個穩定值,這個穩定電流值是與變壓器次級線圈電流大小相關的。如果我們把這個電流記為i10,變壓器次級線圈電流為i2,那么就是:i10=ni2,其中n為變壓器次級電壓與初級電壓比。
另外,流過正激式開關電源變壓器的電流i1除了i10之外還有一個勵磁電流,我們把勵磁電流記為?i1。從圖1-18-c)中可以看出,?i1就是i1中隨著時間線性增長的部份,勵磁電流?i1由下式給出:
?i1=Ui*t/L1——K接通期間(1-80)
當控制開關K由接通突然轉為關斷瞬間,流過變壓器初級線圈的電流i1突然為0,由于變壓器鐵心中的磁通量ф不能突變,必須要求流過變壓器次級線圈回路的電流也跟著突變,以抵消變壓器初級線圈電流突變的影響,要么,在變壓器初級線圈回路中將出現非常高的反電動勢電壓,把控制開關或變壓器擊穿。
如果變壓器鐵心中的磁通產生突變,變壓器的初、次級線圈就會產生無限高的反電動勢,反電動勢又會產生無限大的電流,而電流又會抵制磁通的變化,因此,變壓器鐵心中的磁通變化,最終還是要受到變壓器初、次級線圈中的電流來約束的。
因此,控制開關K由接通狀態突然轉為關斷,變壓器初級線圈回路中的電流突然為0時,變壓器次級線圈回路中的電流i2一定正好等于控制開關K接通期間的電流i2(Ton+),與變壓器初級線圈勵磁電流?i1被折算到變壓器次級線圈的電流之和。但由于變壓器初級線圈中勵磁電流?i1被折算到變壓器次級線圈的電流?i1/n的方向與原來變壓器次級線圈的電流i2(Ton+)的方向是相反的,整流二極管D1對電流?i1/n并不導通,因此,電流?i1/n只能通過變壓器次級線圈N3繞組產生的反電動勢,經整流二極管D3向輸入電壓Ui進行反充電。
在Ton期間,由于開關電源變壓器的電流的i10等于0,變壓器次級線圈N2繞組回路中的電流i2自然也等于0,所以,流過變壓器次級線圈N3繞組中的電流,只有變壓器初級線圈中勵磁電流?i1被折算到變壓器次級線圈N3繞組回路中的電流i3(等于?i1/n),這個電流的大小是隨著時間下降的。
一般正激式開關電源變壓器的初級線圈匝數與次級反電動勢能量吸收反饋線圈N3繞組的匝數是相等的,即:初、次級線圈匝數比為:1:1,因此,?i1=i3。圖1-18-c)中,i3用虛線表示。
圖1-18-b)正激式開關電源變壓器次級反電動勢能量吸收反饋線圈N3繞組的電壓波形。這里取變壓器初、次級線圈匝數比為:1:1,因此,當次級線圈N3繞組產生的反電動勢電壓超過輸入電壓Ui時,整流二極管D3就導通,反電動勢電壓就被輸入電壓Ui和整流二極管D3進行限幅,并把限幅時流過整流二極管的電流送回供電回路對電源或儲能濾波電容進行充電。
精確計算電流i3的大小,可以根據(1-80)式以及下面方程式求得,當控制開關K
關閉時:
e3=-L3*di/dt=-Ui——K接通期間(1-81)
i3=-(Ui*Ton/nL1)-Ui*t/L3——K關斷期間(1-82)
上式中右邊的第一項就是流過變壓器初級線圈N1繞組中的最大勵磁電流被折算到次級線圈N3繞組中的電流,第二項是i3中隨著時間變化的分量。其中n為變壓器次級線圈與初級線圈的變壓比。值得注意的是,變壓器初、次級線圈的電感量不是與線圈匝數N成正比,而是與線圈匝數N2成正比。由(1-82)式可以看出,變壓器次級線圈N3繞組的匝數增多,即:L3電感量增大,變壓器次級線圈N3繞組的電流i3就變小,并且容易出現斷流,說明反電動勢的能量容易釋放完。
因此,變壓器次級線圈N3繞組匝數與變壓器初級線圈N1繞組匝數之比n最好大于一或等于一。
當N1等于N3時,即:L1等于L3時,上式可以變為:
i3=Ui(Ton-t)/L3——K接通期間(1-83)
(1-83)式表明,當變壓器初級線圈N1繞組的匝數與次級線圈N3繞組的匝數相等時,如果控制開關的占空比D小于0.5,電流i3是不連續的;如果占空比D等于0.5,電流i3為臨界連續;如果占空比D大于0.5,電流i3為連續電流。
這里順便說明,在圖1-17中,最好在整流二極管D1的兩端并聯一個高頻電容(圖中未畫出)。其好處一方面可以吸收當控制開關K關斷瞬間變壓器次級線圈產生的高壓反電動勢能量,防止整流二極管D1擊穿;另一方面,電容吸收的能量在下半周整流二極管D1還沒導通前,它會通過放電(與輸出電壓串聯)的形式向負載提供能量。這個并聯電容不但可以提高電源的輸出電壓(相當于倍壓整流的作用),還可以大大地減小整流二極管D1的損耗,提高工作效率。同時,它還會降低反電動勢的電壓上升率,對降低電磁輻射有好處。
上一篇:降壓型開關電源工作原理是什么
下一篇:開關電源原理及故障檢修方法介紹










