鉅大鋰電 | 點擊量:0次 | 2018年07月27日
分析電動汽車V2G系統中的漏電問題
V2G的核心思想就是利用大量電動汽車的儲能源作為電網和可再生能源的緩沖,當電網負荷過高時,由電動汽車儲能源向電網饋電,而當電網負荷過低時,用來存儲電網過剩的發電量,避免造成浪費。
隨著電動汽車的飛速發展,V2G的概念被不斷提及,其核心思想就是利用大量電動汽車的儲能源作為電網和可再生能源的緩沖,當電網負荷過高時,由電動汽車儲能源向電網饋電,而當電網負荷過低時,用來存儲電網過剩的發電量,避免造成浪費。通過這種方式,電動汽車用戶可以在電價低時,從電網買電,在電價高時,向電網售電獲得收益。同時,在遇到突發事件如戰爭、自然災害的時候,大量的電動汽車還可以成為應急電站,意義重大。有專家核算過,北京2016年8月最大負荷2077萬千瓦,如果電動汽車輸出功率為7千瓦,300萬輛電動汽車可以實現全城保供電。
V2G的關鍵技術之一便是雙向大功率充電機的研制。對整車廠來說,車載充電機要求體積小,重量輕,成本低,可靠性好,目前主流充電機的拓撲結構由三相不可控整流器和高頻變壓器隔離DC/DC變換器組成,這種帶隔離變壓器的充電機體積大,變換效率低,成本較高,所以采用非隔離的充電機是目前的主流發展方向。一種雙向大功率充電機采用新的拓撲結構如下圖所示:

圖1一種高效高功率因數充電機拓撲結構
它由前級的三相電壓型PWM整流器和后級的電流可逆斬波電路組成。后級的電流可逆斬波DC/DC電路,可以理解為由一個Boost電路和一個Buck電路組成的復合電路,該電路不僅能實現電路的正向流動,還能夠實現電流的逆向流動,從而實現整個充電機能量的雙向流動。
由于采用了非隔離DC/DC拓撲結構,去掉了高頻變壓器,提高了變換效率,降低了系統成本和損耗,但我們不得不去考慮的一個情況就是整個系統的漏電問題。雙向大功率充電機作為一種復雜的電力電子裝置,漏電問題難以避免,需要在設計的時候通過良好的控制策略將漏電大小限制在一定范圍內,否則不管是對于電網還是器件本身或者是生命財產安全,都有風險。同時,也需要在漏電超出預期時,采用一個基本保護手段來防范漏電的危害。

圖2車載電動機輸入控特種引電路
上圖是QC/T895-2011《電動汽車用傳導式車載充電機》中截取的,反映了電網和充電機連接的一般模型,通過充電線纜向電動汽車車載充電機供電,車載充電機將接入的交流電轉換成直流電給蓄電池充電,在向電網饋電時,蓄電池通過車載充電機將直流電轉換成交流電通過充電線纜反饋到電網端。供電設備(充電樁)內部安裝漏電流保護器對整個電網和電動汽車的能量交換過程進行漏電保護,漏電流保護器又被稱為剩余電流保護器(RCD)。RCD就是那個基本保護手段,所以它的可靠性至關重要。
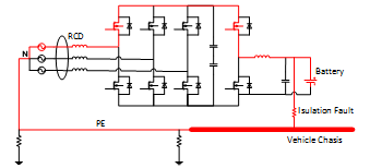
我們都知道,供電系統有三相三線制和三相四線制,國際電工委員會(IEC)規定為TT系統、TN系統、IT系統。我國基本采用TN系統,電動汽車和電網的連接也是采用這種系統。在使用這種雙向大功率充電機時,失去了DC/DC隔離變壓器的限制,蓄電池率先獲得自由,它不再和這個系統隔離。于是,蓄電池在長時間使用過程中,直流母線若發生絕緣故障,漏電就會通過車身接地PE線反饋到交流側。以蓄電池直流母線正極漏電為例,漏電模型如下圖所示:

圖3蓄電池正極對地短路漏電模型
可以看到,蓄電池直流母線正極漏電反饋到交流側構成回路,這種意外的直流電會對整個系統造成影響,如果我們通過對等效電路進行仿真,就會發現整個充電電流發生畸變,導致充電效率降低,甚至減少蓄電池使用壽命。更嚴重的情況是,如果PE線斷開并且接地線缺失,這部分電流就有可能通過人體,對人體造成傷害。如果直流電流入電網,后果更是不堪設想,會對整個配電網絡造成危害。因而當發生直流漏電時,必須斷開電路,對裝置進行檢查,檢測漏電并斷開電路的功能自然是交由剩余電流保護器(RCD)來完成。
根據GB/T18487.1-2015的要求,充電樁內的剩余電流保護器宜采用B型或者A型。A型RCD對工頻交流剩余電流、脈動直流剩余電流以及脈動直流剩余電流疊加6mA平滑直流剩余電流確保脫扣;B型RCD包含A型的特性,此外,還能對1000Hz及以下的正弦交流剩余電流、交流剩余電流疊加平滑直流剩余電流、脈動直流剩余電流疊加平滑剩余電流、兩相或多相整流電路產生的脈動直流剩余電流、平滑直流剩余電流確保脫扣。可以發現當發生直流漏電時,只有B型RCD才能進行保護。
然而受制于技術和成本,目前國內幾乎所有樁內的漏電保護器都是A型,無法對純直流漏電進行保護。實際上,V2G系統中的漏電成分是非常復雜的,不管是隔離還是非隔離的充電機,都存在著直流漏電的風險,本文著重考慮了在采用非隔離型充電機方案時,由蓄電池帶來的直流漏電危害。
在實現電動汽車V2G的進程中,我們需要去考慮如何實現集成化、小型化,同時也要兼顧到整個系統的各個元器件。觀察電動汽車領域的現狀和未來發展方向,從漏電保護這塊來看,我們急需將現在的A型剩余電流保護器升級到B型,這是對整個行業負責任的做法。
Magtron基于iFluxgate技術的SoC芯片整體方案,為B型漏電保護進行了數字化集成,為RCCB從傳統的AC型/A型向B型的技術升級,提供了一套高性價比的B型漏電解決方案,為電動汽車充放電安全提供可靠保障。










