鉅大鋰電 | 點擊量:0次 | 2018年05月20日
從廢棄電池中回收負極材料用于鋰電池有可行性嗎?
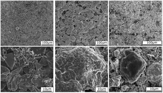
循環利用的負極材料如果來自于不同的電池會怎樣,電池的性能還能保持一致嗎?為了討論不同的重復利用負極材料的特性,將來自不同電池的負極材料回收后,重新做成負極,利用SEM觀察其形貌,如圖所示。
可以看出,VG和RAM的形貌有很大的不同,VG材料是片狀結構的石墨層堆疊而成,循環過后的負極則由更小的片狀組成,表面不如VG材料一樣有較大的起伏,但是并不影響整體的循環性能。

圖.VG材料的SEM(a)、(b)兩種不同來源RAM材料SEM(c).(d).(e).(f)
在此之外,還進行了小規模的擴大試驗,證明了從廢棄電池中回收負極材料用于鋰電池的可行性。與實驗操作相比,為了保證拆解過程中的安全性,擴大試驗需要在惰性的氣氛中進行。結果表明,廢棄電池中的負極材料可以通過機械方式從商業電池中提取,而且利用從耗盡的電池取得的負極材料制作的電池在初始10周循環中沒有明顯的衰減。
使用不知道其循環歷史和制造質量的RAM,可以真實地模擬現實世界的LiB回收條件。將RAM投入新負極制造的效果可以從SEM中看出,同時對廢棄鋰電池回收有了新的途徑。雖然RAM的形態各不相同,但是其性能并無明顯差異。
在整個實驗中,雖然不太廣泛,還是可以觀察到石墨材料預鋰化的現象,從而可以證明鋰嵌入碳材料的可能性。通過相同的處理,利用RAM和VG制作的負極表現出相似的循環穩定性,RAM負極具有更高的首效。RAM和VG電池類似的首次循環表明雖然經過使用,壽命終了了,RAM仍舊保持著結晶度。
首次循環容量的提高主要歸因于鋰離子嵌入循環后的負極材料,沒有造成Li含量的消耗。但是要確認預鋰化有助于RAM電池中SEI的重新形成的程度,則需要進一步的研究。此外,更多的數據需要進行測試,例如在長期循環中的變化、倍率依賴性等。
分析認為,鋰電池在充放電過程中,負極材料必然會發生或多或少的晶體結構變化,壽命終止的電池負極材料想要與未使用過的負極材料性能結構一致還是不可能的。同時,試驗中對于采樣的合理性要考慮到,電化學性能測試也不全面,需要進一步驗證。負極材料重新利用是一個好的廢棄物處理辦法,將不同種類的負極材料進行分類處理,根據產品用途進行篩選分級可以保證產品質量及廢棄物使用效率。










