鉅大鋰電 | 點擊量:0次 | 2018年05月20日
關于動力電池尺寸標準化
16年9月23日,全國汽車標準化委員會在官方網站公布了由電動車輛分標委組織修訂的汽車推薦性國家標準《電動汽車用動力蓄電池產品規格尺寸》征求意見稿。筆者乍看之初有些意外,仔細閱讀編制說明、梳理原委之后,筆者相信,未來中國的動力電池行業將進一步馬太效應化,強者愈強、弱者愈弱。
電池尺寸統一有三大理由
圖1動力電池標準

動力電池本身由于其相對昂貴的特性,使得其規模化效應非常強。所以整個動力電池產業有三根柱子,尺寸、性能和安全,而尺寸的問題牽涉很深。如果沒有相對統一的規格尺寸,由此帶來許多問題:
·電池單體生產企業:生產和研發成本增加,材料技術創新到上量的時間增加,再到大規模制造、市場應用增加不確定性。
·電池系統集成和整車企業:電池單體選型存在多條路徑,需要選擇不同的方案來對比,應用端的技術積累周期拉長,如選擇錯誤則會削弱最終產品的競爭力。
·全生命周期考慮:在電池回收利用方面,很難形成不同企業的兼容性
解決這三個問題,應該就是動力電池尺寸統一的主要訴求。
尺寸標準從何而來
與上述《電動汽車用動力蓄電池產品規格尺寸》征求意見稿一同發布的編制說明,細致的描述了尺寸標準形成的兩個階段的情況,也體現出了整個征求意見稿得出結果的過程:
第一階段(2014年初-2015年9月)
發表《規格尺寸標準調研表》,然后匯總再分析。這一階段電池種類繁多,尺寸多樣,但是無法根據數據分析的方法確定一個合理的尺寸篩選原則,從而選取最具代表性的產品尺寸。因此有后續的第二階段。
第二階段(2015年10月-2016年9月)
這一階段參考“車輛生產企業及產品公告數據庫”和“汽車動力蓄電池生產企業管理系統”這兩個數據庫,通過權重篩選指標的方法:
·從現有市場的需求出發,平衡電池與整車的實際情況
·通過技術篩選,通過比能量指標評判先進與否

圖2意見過程
所以我們看到的單體結果為:
·與ISO/IECPAS16898相比,這個GBT的要求更為精簡,把16898的寬泛的要求限制在一個比較小的范圍之內
·與DINSPEC91252,兼容現有國內的車型
91252主要根據乘用車的需求來做的,考慮HEV(混合動力汽車)、PHEV(插電式混合動力汽車)和EV(純電動汽車)的需求,少了國內商用車的應用場景


圖3VDA(德國汽車工業聯合會)的單體要求
標準將有何影響?
關于制定標準,ISO(國際標準化組織)和DIN(德國標準化學會)都只規定到電池單體層級,電池模塊和系統的層級都沒有規定。而我國GBT(推薦性國家標準)這里在這方面做了更細致的界定:根據GBT推薦的單體組成的模塊推薦了模塊的范圍、根據梯次利用的要求推薦了電壓要求、根據12V的倍數來配置單體的數量。如此尚屬全球首例的細分延展,對于我國相較之下擁有更多新能源浪潮玩家的大環境下究竟是利是弊,是更加標準規范化還是壓縮了潛在工程設計的空間,還有待時間的檢驗。
而談到具體的尺寸規定:
(1)圓柱形:圓柱形電池單體尺寸小,模塊成組的尺寸更加靈活,不對圓柱形電池模塊的尺寸做出規定。
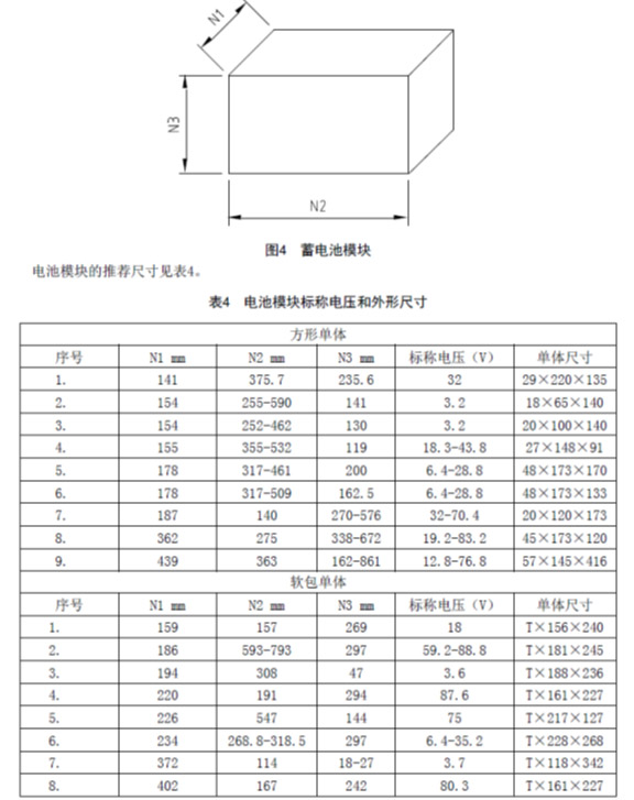
(2)方形和軟包的模塊列表如下,根據實際要求,這里的規格尺寸可保持一個面尺寸不變,在一個自由度上進行調整。

從這個標準來看,未來中國的動力電池行業將進一步馬太效應化,強者愈強、弱者愈弱,整個行業開始往巨頭化運作,而整車企業被動的在上游端實現了“模塊化”,猜測會有幾個可能性:
·電池企業進一步擴展規模,跟不上的要落在第二和第三梯隊
·隨著標準化發展,有雄心的車企也會根據自己的情況選擇進入動力電池行業
·前路已經掃清,高舉高打的模式即將展開,未來國家也希望出現龍頭的幾家電池企業和上銷量的整車車企。
上一篇:動力電池的發展趨勢
下一篇:日產汽車宣布退出動力電池制造










